Ball Valve
Siken Hydraulics provides accumulator ballvalves used for many applications.A ball valve is a type of valve that uses a ball-shaped disc to control the flow of fluid. The ball inside the valve has a hole or passage through its center, which allows or blocks the flow of the fluid when the valve is rotated. When the ball is positioned with the hole aligned with the flow direction, the valve is open, and fluid can pass through. When the ball is rotated to a position where the hole is perpendicular to the flow direction, the valve is closed, and fluid flow is blocked. Ball valves are commonly used in various industries for their reliable sealing, durability, and ease of operation.
Siken Hydraulics provides ball vlaves with with either thread or flange connections.Siken Hydraulics provides 5 series of ball valves, which are as follows,
(A) KHB/KHM type ball valve (Thread connection)
(B) KHB-F3/6,KHM-F3/6 type ball valve with SAE flange
(C)KHBG,KHMG ball valve with threaded flange
(D) BKH-SAE, MKH-SAE flange ball valve(with mating flange)
(E) BKH-SAE-FS. MKH-SAE-FS flange ball valve (with SAE fitting)
(A)KHB/KHM type ball valve (Thread connection)
1. Model
(1) Product Code:
KHB- Ball valve body DN04-25/40 KHM-Sleeve type ball valve DN32-50
(2) Connection Code: M**, G**, LR, SR, PT, NPT (e.g., M**, G**, etc.)
(3) Valve body and adapter body material:
1-Carbon steel, 4-Stainless steel
(4) Ball and control spindle material:
1-Carbon steel, 4-Stainless steel
(5) Ball sealing material:
1-POM (Polyoxymethylene), 4-PTFE (Polytetrafluoroethylene)
(6) Adapter sealing and control spindle sealing material:
2-NBR (Nitrile butadiene rubber), 4-FPM (Fluorocarbon rubber)
(7) Handle type:
01-Cast steel clamp type straight handle, 02-Cast steel clamp type curved handle,
06-Cast steel with installation bolt curved handle
(8) Surface treatment: No phosphating, please specify any other requirements
2. Dimension
JB984-77 METRIC SCREW THREAD MALE THREAD
ISO 228 Female thread
ANSI BI .20 . INPT Female thread
SAEJ514 UN/UNF Female thread
DIN 2353 Light series
DIN 2353 Heavy series
Cone seal welding
The highest pressure for a bove tupe is 315 bar
(B) KHB-F3/6,KHM-F3/6 type ball valve with SAE flange
1.Model
(1) Product Code: KHB-Square body ball valve. DN16-25
KHM-Sleeve body ball valve. DN32-50
(2) Nominal diameter: 16, 20,... 50mm.
(3) Flange code: F3 - Conforms to SAE J518C 3000 psi (21 MPa)
F6 - Conforms to SAE J518C 6000 psi (42 MPa)
(4) Valve body and adapter body material: 1-Carbon steel.
(5) Ball and control spindle material: 1-Carbon steel.
(6) Ball sealing bowl material: 1-POM (Polyoxymethylene).
(7) Control spindle and adapter body sealing material:
2-Nitrile rubber (NBR);4-Fluororubber (FPM).
(8) SAE flange material:1 - Steel.
(9) Handle type: 01 - Zinc alloy clamp handle, straight handle.
02 - Steel clamp handle, curved handle.
06 - Steel handle with safety bolt, curved handle.
2. Dimensions
KHB/KHM-F3
KHB/KHM-F3-XL
SAEBi-flange- F3
KHB/KHM - F6
KHB/KHM-F6-XL
SAEBi-flange- F6
(C) KHBG,KHMG ball valve with threaded flange
1.Model
(1) Product Code: KHB - Square body ball valve. DN16-25
KHM - Sleeve body ball valve. DN32-50
(2) Adapter body, flange type: G - Threaded flange
(3) Nominal diameter: 16, 20, 25, 32, 40, 50mm
(4) Flange code: F3 - Conforms to ASE J518C 3000 psi (21MPa)
F6 - Conforms to ASE J518C 6000 psi (42MPa)
(5) Valve body and adapter body material:1 - Carbon steel
(6) Ball and control spindle material: 1- Alloy steel
(7) Ball sealing bowl material: 1 - POM (Polyoxymethylene)
(8) Control spindle and adapter body sealing material:
2 - Nitrile rubber (NBR) 4 - Fluororubber (FPM)
(9) SAE threaded flange material: 1 - Carbon steel
(10) Handle type: 02 - Steel clamp handle, curved handle
06 - Steel fixed bolt handle, curved handle
2. Standard model
3.Model description
KHBG
KHBG-F3/KHMG-F3



Flange F6

BKH and MKH series are two-way, two-position high-pressure ball valves with SAE flange connections. These ball valves are designed for SAE standard flange connections and are suitable for installation in pipelines. The specific type of flange can be provided based on customer requirements. The working pressure range of these ball valves is available in two options: 21 bar and 420 bar.
2.Model


(1) Product Code: BKH-SAE - Square body valve
MKH-SAE - Forged body valve
(2) Nominal Pressure: 210 bar 420 bar
(3) Nominal Diameter: 13 mm, 20 mm
(4) Valve Body and Flange Material: 1 - Carbon steel (BKH-SAE) 2 - Carbon steel (MKH-SAE)
(5) Ball and Stem Material: 1 - Carbon steel 4 - Stainless steel
(6) Ball Sealing: 2 - POM (Polyoxymethylene)
4 - PTFE (Polytetrafluoroethylene) 5 - FPM (Fluororubber)
(7) Stem and Adapter Sealing: 3 - NBR (Nitrile rubber)
(8) Surface Treatment: Phosphate-free Please specify if other treatments are required.
3.Dimensions
a) BKH-SAE

210bar(3000psi)





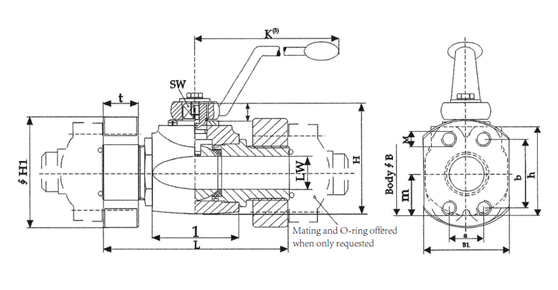
BKH and MKH series are two-way, two-position high-pressure ball valves. They are equipped with pipe adapters suitable for SAE J518 C-3000 PSI flange or SAE J518 C-6000 PSI flange. If required by the customer, flanges can be provided, and these flanges are interchangeable with the JB/ZQ4187-97 split-type high-pressure flanges.
3. Model


(1) Product Code: BKH-SAE-FS - Square valve body
MKH-SAE-FS - Forged valve body
(2) Nominal Pressure: 210, 420 bar
(3) Nominal Diameter: 13, 20 mm
(4) Valve Body and Flange Material:
1 - Carbon steel (BKH-SAE-FS); 2 - Carbon steel (MKH-SAE)
(5) Ball and Stem Material: 1 - Carbon steel;4 - Stainless steel
(6) Ball Seal: 2 - POM; 4 - PTFE (Polytetrafluoroethylene)
(7) Stem and Adapter Seal: 3 - NBR (Nitrile butadiene rubber); 5 - FKM (Fluorocarbon rubber)
3. Dimensions
a) BKH-SAE-FS

210bar(3000psi)




